聯系熱線
美國2B 160-W水中臭氧檢測儀如何設置校準參(cān)數 儀器在工廠進行校準,将斜率(S)和偏移量(Z)參(cān)數輸入儀器的存儲器。這些預設的校準參(cān)數在儀器的出生證明上給出,並(bìng)記錄在儀器箱上的校

美國2B 106臭氧檢測(cè)儀如何設置時間和日期 任何設備(bèi)都會出現時間出錯的情況,一般可能是時間電池引起的,更換電池好,重新調節時間即可 美國2B 臭氧檢測(cè)儀 時間和日期在哪裏調節呢

美國2B 306 型臭氧校準儀如何安裝 1 典型安裝:從 306 型連接到設備(bèi)繪圖流程 306 型通常用於(yú)校準 臭氧監測儀 ,或爲另一種從校準儀抽取流量的設備(bèi)提供已知的臭氧濃度。 306 型專爲此類

106-L臭氧分析儀如何設置數據導(dǎo)出 數據可以記錄在内部數據記錄器中。 多達(dá) 32,736 條數據線,包括對數、臭氧混合比、内部(電池)溫度、内部(電池)壓力、流速、光電二極管電壓、

美國2B 106型臭氧檢測(cè)儀如何使用菜單設置讀數次數 在不記錄的情況下平均數據 從主菜單中選擇平均可以選擇四種平均模式。 按住選擇開關以獲得主菜單。 選擇並(bìng)單擊 Avg 以獲取 Avg 菜

美國2B 106-M臭氧分析儀自帶過濾器嗎 美國2B 型号106-M固件具有通過内置自适應過濾器採(cǎi)樣臭氧濃度數據的能力。默認情況下,此過濾器是關閉(bì)的。用戶可以選擇激活這個過濾器,它通過

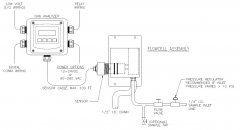
ATI Q46H/64 水中臭氧檢測(cè)儀三種安裝方式 ATI水中 臭氧檢測(cè)儀 ,常用的三種安裝方式如下: 标準體系 标準型号 Q46H/64 系統包括三個主要組件:Q46H 分析儀、恒壓頭流通池和臭氧傳(chuán)感器。密

美國(guó)2B 306 臭氧标定源校準數據舉例 下圖是校準一台Model 202 臭氧分析儀 獲得的數據,它以前已經被我們一台可NIST溯源的儀器進行瞭(le)校準,新的目标臭氧濃度每5分鍾被輸進本臭氧校準源

ATi 的 Q46H/64 溶解臭氧監測(cè)儀爲水質監測(cè)和控制臭氧處理系統提供經濟可靠的測(cè)量系統。Q46H/64 具有多種輸出,包括 4-20 mA 模拟、PID 控制、三個可調繼電器和數字通信,适用於(yú)任何臭氧應
